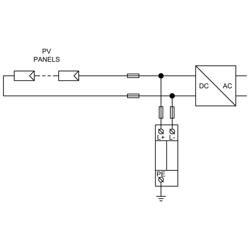
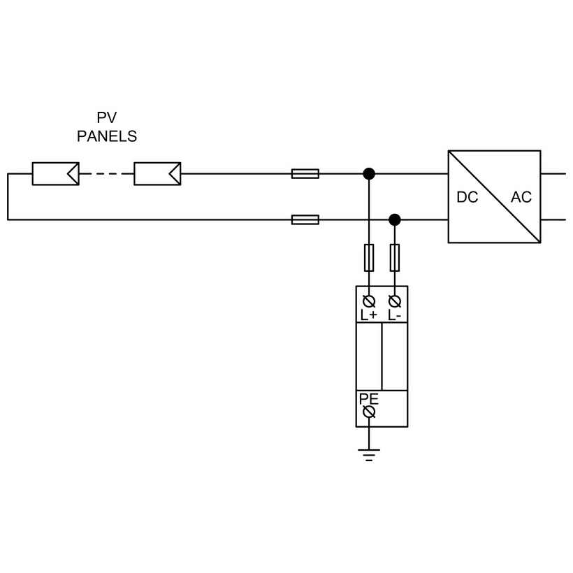
Proteção DC criada para fins específicos para matrizes fotovoltaicas.
Esses prisioneiros de pico do tipo 2 protegem as cordas fotovoltaicas, barramentos e entradas de inversor de sobretensões transitórias causadas por eventos de raios ou operações de comutação. Eles garantem a ligação equipotencial de barbos fotovoltaicos positivos e negativos e ajudam a manter o tempo de atividade do sistema em todos os níveis de proteção contra raios (LPL I -IV).
Conexão U ou Y - Escolha o que seu design precisa.
U Connection: Topologia de proteção convencional para circuitos PV DC.
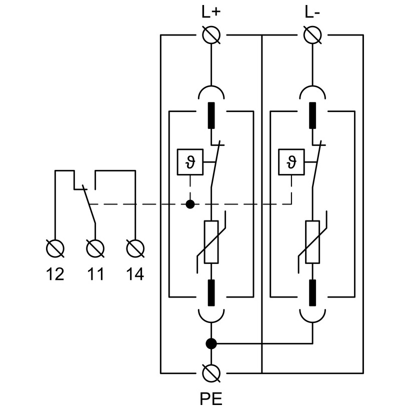
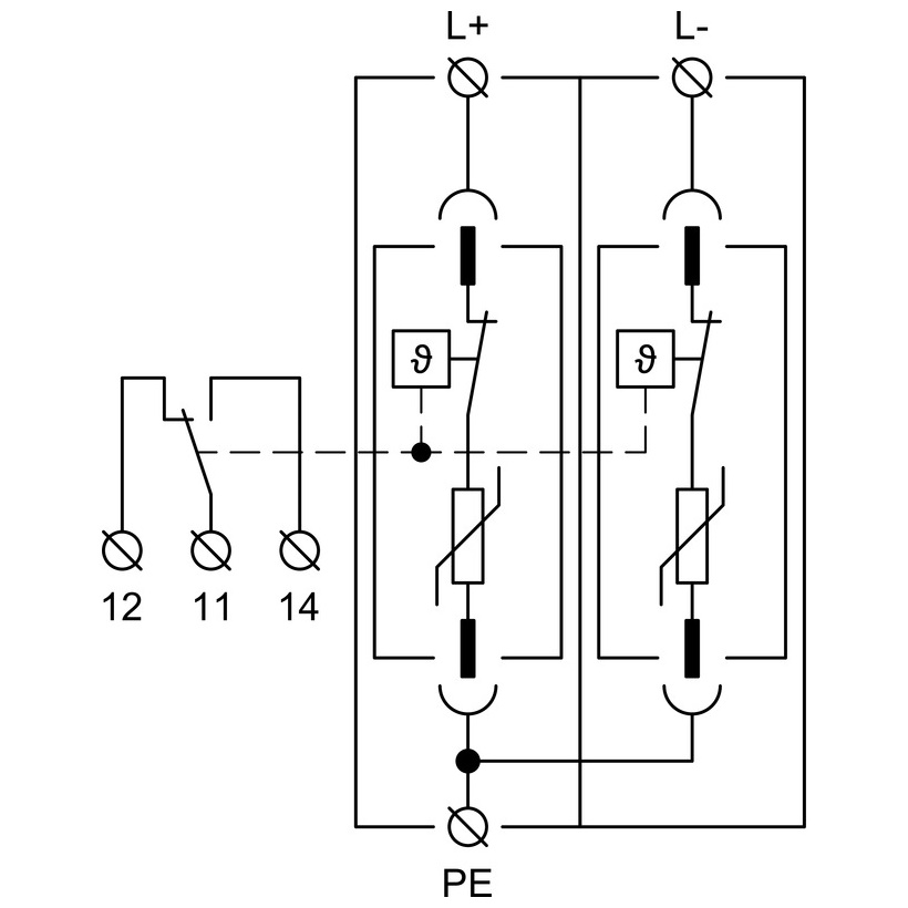
Y Conexão: Os varistores organizados para a PE, de modo que os condutores de trabalho permanecem resistentes à Terra e não há corrente residual (vazamento) através do condutor de PE, melhorando o comportamento da EMC e minimizando os caminhos de corrente incômodos.
Segurança interna-não é necessário fusível de backup.
Os setores de varistores específicos entre L+, L- e PE são equipados com desconectores térmicos internos. Quando um varistor atinge o fim da vida (superaquecimento), as viagens de desconexão, indicando visivelmente uma falha e interrompendo a corrente CC. Graças à sua construção especial, esses prisioneiros podem ser instalados sem um fusível de backup separado (sujeito à coordenação do sistema).
Implantação flexível com ou sem LPS externo.
Instale no lado CC dos sistemas PV, sem um sistema de proteção de raios externos (LPS) ou com um LPS quando a distância de separação necessária “S” for mantida. Isso suporta integração segura em novas construções e adaptações.
Opções de serviço e monitoramento.
M Indicação: Versão com um módulo de proteção removível (plug-in) para substituição rápida.
S Indicação: versão com contato de monitoramento remoto para sinalização de status para relés SCADA/PLC/Alarm.
Aplicações típicas
Strings PV, caixas de combinador/reciã e entradas DC de inversor
Instalações PV em escala de utilidade, comercial e industrial e telhados
Sites com ou sem LPS externos, onde a distância de separação “S” é observada
Principais recursos de vista
Recreto de pura tipo 2 para sistemas PV DC (conexão u ou y)
Y Vantagem de conexão: condutores de trabalho resistentes à terra e vazamento zero de PE
Desconectores térmicos internos nos caminhos de varistores (L+, L-, PE)
Interrupção de corrente de CC na falha; Não é necessário fusível de backup
Adequado para todos os níveis de LPL; suporta a ligação equipotencial
M = módulo removível; S = contato de monitoramento remoto

